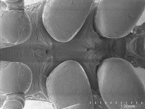
Scientific illustration of Hagensia havilandi ant - showing key identification features including head, thorax, and gaster.

Hagensia havilandi

Species Profile Data

Scientific Name
Hagensia havilandi
Distribution
Found in 2 countries
South Africa Eswatini

Hagensia havilandi Overview & Identification

Hagensia havilandi is an ant species of the genus Hagensia, family Formicidae. It is primarily documented in 2 countries, including South Africa, Eswatini. This species is characterized by its unique colony structure and non-parasitic founding nature.

Researching Hagensia havilandi provides valuable insights into myrmecology and social social structures. Detailed taxonomic data and occurrence records can be further explored via authoritative databases such as AntWeb or the Global Biodiversity Information Facility (GBIF).

Looking specifically at the Hagensia havilandi distribution, it has been documented across various regions. Understanding where Hagensia havilandi lives helps in identifying seasonal patterns and habitat preferences.

Colonies of Hagensia havilandi typically exhibit a unique colony structure. This species has a non-parasitic queen, meaning she can start a new colony independently.

Distribution

Highlighted regions indicate documented sightings across global databases.

1800 - 2026

No caresheet available for this species yet.

User blogs will be displayed here.

No products found

We couldn't find any shops currently selling Hagensia havilandi.

Check back later or explore other similar species.


Other similar species